Global Reliable Bearing Supplier | Fast Shipping & Worldwide Delivery - INQUIRE NOW

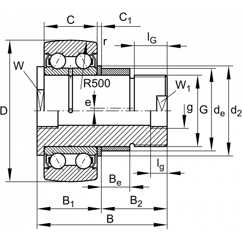
| Maximum witdh of thrust washer | B1 | 20.50 | mm |
| Minimum thread length | IG min | 24 | mm |
| Thread length (inner) | lg | 6 | mm |
| Width, eccentric | Be | 18 | mm |
| Width of flats | W | 9 | mm |
| Stop diameter of thrust washer | d2 | 25 | mm |
| Width, outer ring | C | 15.90 | mm |
| Radius of outer ring outside profile | R | 500 | mm |
| Thread | M12X1,5 | ||
| Thread inside | g | M6 | |
| Eccentricity | e | 1 | mm |
| Minimum chamfer dimension | rmin | 0.60 | mm |
| Protrusion outer ring to thrust washer | C1 | 2 | mm |
| Bolt/stud length effectively | B2 | 45 | mm |
| Permissible dynamic load outer ring, radial | Fr per | 4,800 | N |
| Fatigue load limit, radial | Cur | 270 | N |
| Basic dynamic load rating, radial | Cr | 7,900 | N |
| Diameter of eccentric | de | 18 | mm |
| Speed on permanent grease lubrication | nD G | 11,100 | 1/min |
| Basic static load rating, radial | C0r | 5,300 | N |
| Width | B | 65.50 | mm |
| Outside diameter | D | 35 | mm |